1. 순서논리회로의 설계 과정
설계 명세로부터 F/F의 종류와 개수 결정 -> 상태표 작성, F/F 종류 개수 결정
명세의 내용을 만족하는 조합논리회로 설계
- 상태표로부터 F/F의 입력방정식을 구함
- 상태표에 출력이 있으면 출력방정식을 구함
- 구해진 입력방정식과 출력방정식을 간소화
F/F과 연결
- 간소화된 입출력 방정식을 이용하여 논리도 작성
(1) 상태표 작성
주어신 설명이나 상태도로부터 상태표를 작성

(2) 플립플롭의 결정
-> 순서논리회로에 사용될 F/F의 개수와 종류를 결정하고, 그 F/F에 기호를 할당
1) F/F의 개수 결정
- F/F의 개수는 순서논리회로 내의 상태수로 결정
- 2n개의 상태를 표현하기 위해서는 n 개의 F/F 필요
2) F/F에 기호 할당(F/F의 종류 결정)
- 정해진 F/F에 A, B 등으로 기호 할당
- 사용될 F/F의 종류 결정은 설계자에 따라 결정
- D 플립플롭 : 데이터 전송을 위한 설계 (입력의 신호가 출력에 그대로 나타나기 때문)
- T 플립플롭 : 보수를 포함한 응용
- JK 플립플롭 : 종류가 다양해서 일반적으로 많이 사용
F/F의 결정 예시

(3) 입력방정식의 유도
- 입력방정식의 의미
-> 입력방정식은 조합논리회로의 출력(외부 입력과 F/F의 현재상태에 의해 결정됨)
-> 또한 입력방정식은 F/F의 다음상태를 결정한다.
-> 따라서 만약 F/F의 현재상태와 다음상태를 안다면, F/F의 입력조건을 구할 수 있다.
-> 결국 F/F의 입력조건에 대한 부울함수가 입력방정식이다.
-> 여기서 현재상태에서 다음상태로의 변화를 일으키는, 즉 F/F의 입력조건의 리스트를 F/F의 여기표라 한다.

1) 분석
- 입력방정식을 구해 상태표 작성 (현재상태와 다음상태로 이루어진)
2) 설계
- 현재상태와 다음상태를 알고 있다. (상태표에 의해)
- 현재상태에서 다음상태로의 변화를 일으키는 입력조건이 필요
- 입력조건이 입력방정식이 된다.
- 입력조건을 알려면 F/F의 여기표가 필요
(4) F/F의 여기표
RS 플리플롭의 예
- 특성표를 이용하여 여기표를 구함

첫번째 행
- 현재 상태 0에서 다음상태 0이 되는 입력조건 :
-> 입력 S와 R이 모두 0이거나
-> 입력 S는 0, R이 1이면 된다.
따라서 입력조건은 S = 0, R = x
두번째 행
- 현재 상태 0 에서 다음 상태 1이 되는 입력조건
-> 입력 S는 1, R은 0
=> 따라서 입력조건은 S=1, R=0
세번째 행
- 현재 상태 1에서 다음 상태 0
-> S는 0, R은 1
=> 입력조건은 S=0, R=1
네번째 행
- 현재 상태 1에서 다음 상태 1
-> S와 R이 모두 0 이거나
-> S가 1, R이 0
=> 따라서 S=x, R=0
플리플롭의 여기표

D 플립플롭의 경우 현재 -> 다음 상태 똑같은 것
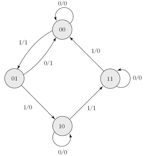
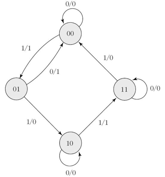
2. D 플립플롭을 이용한 설계
예시를 통해 살펴보자.
명세가 주어졌을 때 상태도를 그릴 수 있다.
-> 상태표 작성


표로 작성 후 입력방정식 유도
=> 여기표를 이용해서 유도한다.

다음 상태가 입력과 똑같다. A와 관련해서 다음 상태를 구할 수 있다.

곧 다음 상태가 입력방정식이 됨
A의 경우 3,4,5,6
B의 경우 1, 5,6
출력 방정식은 1,2,5
구한 방정식을 간소화 시킴

회로도 작성

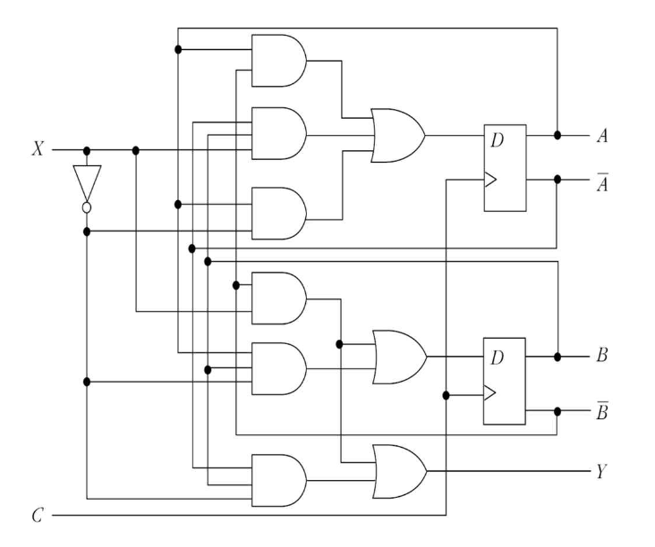
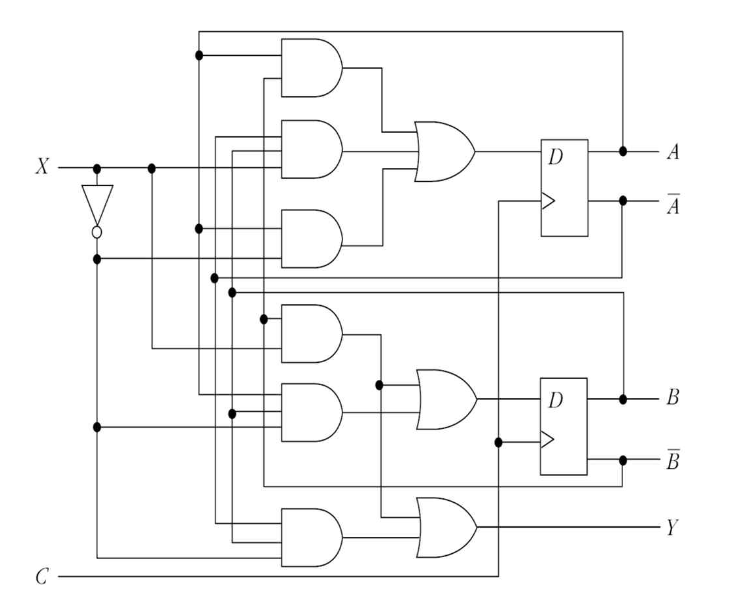
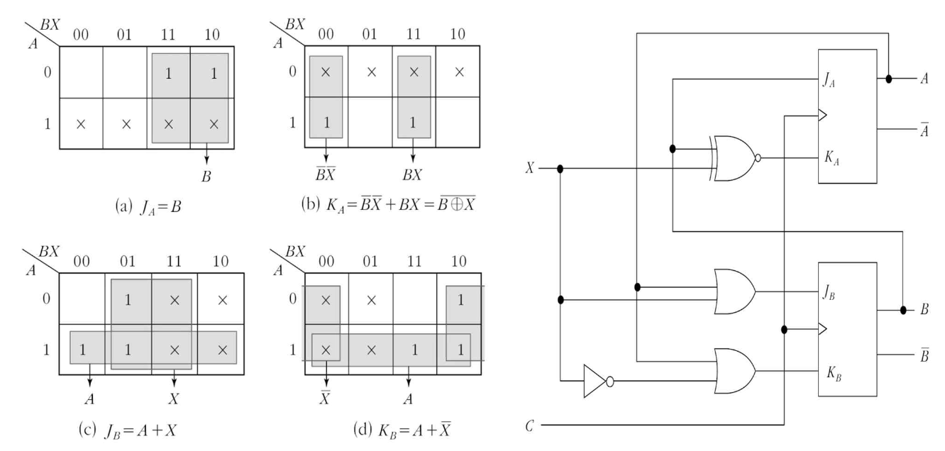
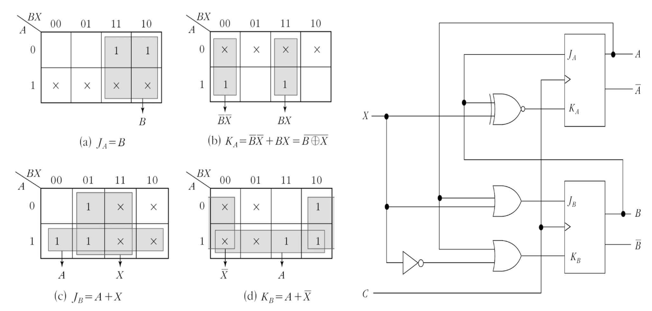
3. JK 플립플롭을 이용한 설계
한단계 더 번거로움
설계 명세에 따라 상태도 -> 상태표 작성, 기호 결정

입력방정식 유도 -> 여기표를 이용하여 상태표 재작성


첫 번째 행에서 F/F A 의
- 현재상태 0 에서 다음상태 0 이 되는 입력조건은 JA =0, KA =×
두 번째 행에서 F/F B 의
- 현재상태 0 에서 다음상태 1 이 되는 입력조건은 JB =1, KB =×
상태표를 보면 JA 의 입력방정식은 현재상태 A, B 와 입력 X 의 부울함수로 표현된다.
-> 따라서 JA 의 입력방정식은 상태표 JA 란의 최소항으로 표현된다.
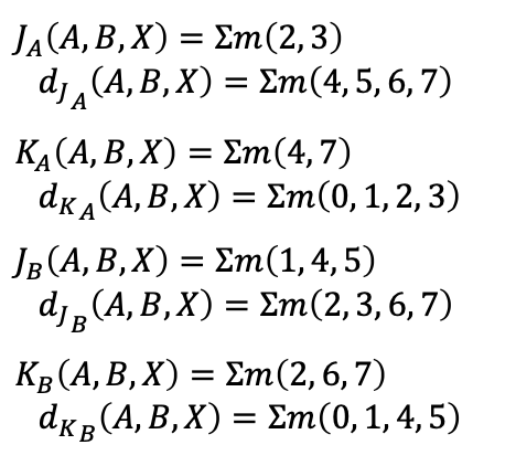
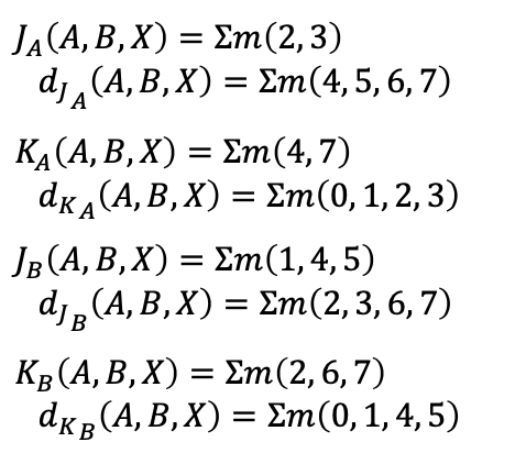
결국 JA, KA, JB, KB 의 입력방정식은

입출력 방정식을 간소화 하고 논리도 작성

참고자료: 디지털논리회로(김형근, 손진곤 공저, KNOU press 출판)
'CS > 디지털논리회로' 카테고리의 다른 글
| 레지스터와 카운터, 동기식 2진 카운터, 모듈로-N 카운터, 링 카운터, 존슨 카운터, 카운터의 설계 (0) | 2023.06.15 |
|---|---|
| 레지스터, 데이터 적재 레지스터, 시프트 레지스터, 카운터, 비동기식 카운터 (0) | 2023.06.15 |
| 순서논리회로의 분석, 상태표, 상태도 (0) | 2023.06.15 |
| 순서논리회로, 플립플롭, SR래치, D 플립플롭, JK 플립플롭, T 플립플롭, 플립플롭의 트리거링 (0) | 2023.06.15 |
| 코드 변환기, 패리티 발생기/검사기, BCD-세븐 세그먼트 표시기, 인코더 (0) | 2023.06.14 |