1. 순서논리회로의 분석
순서논리회로의 분석
- 주어진 순서논리회로의 입출력 관계를 규명
- 그러나 시간지연요소인 플립플롭이 포함되어 있으므로 회로의 시간적 변화를 고려해야 함
- 즉 회로 동작의 시간적 변화를 상태-현재상태-다음상태로 표현해야 함
따라서 순서논리회로의 동작은 입출력 상태와 플립플롭의 상태에 따라 결정되므로, 플립플롭의 상태와 입출력 상태의 시간적 변화를 적절히 나타내야 한다.
=> 결국 순서논리회로의 분석은 상태표를 완성하는 것
순서논리회로의 상태표를 작성하기 위해서는 플립플롭의 상태변화를 알아야 한다.
- 상태변화는 플립플롭에 들어오는 입력을 알면 구할 수 있다.
- 플립플롭의 입력은 입력방정식으로 표현된다.

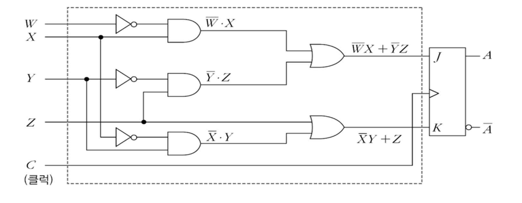
플립플롭의 입력은 조합논리회로의 출력이 연결된다.
따라서 플립플롭의 입력방적식이라고 하는 것은 결국 조합논리회로의 출력.

J 쪽으로 연결된 것 = JA = ~WX + ~YZ
K 쪽으로 연결된 것 = KA = ~XY + Z
상태표 작성
- 상태표: 순서논리회로에서 플립플롭의 상태와 입력, 출력의 변화를 나타낸 표
- 상태표는 현재상태, 입력, 다음상태, 출력으로 구성

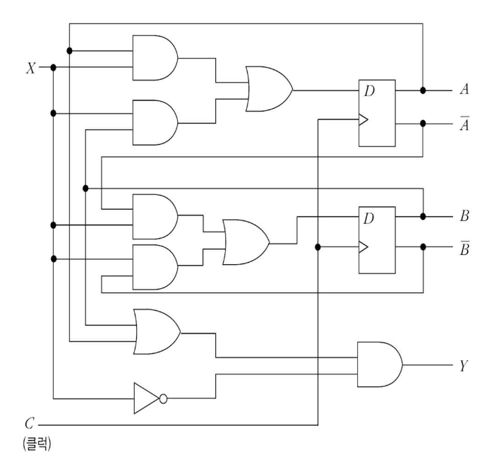
D 플립플롭 예시로 알아보는 입력방정식 유도

-> 회로도에서 입력은 X, 출력은 Y
-> 플립플롭의 입력방정식은
DA = AX + BX
DB = ~AX + ~BX
Y = (A+B)~X
-> 여기서 구해진 DA, DB 의 값은
두 개의 D 플립플롭의 현재상태값
-> 따라서 출력 A 를 갖는 D 플립플롭의 현재상태는 A(t), 출력 B 를 갖는
D 플립플롭의 현재상태는 B(t) 로 표현하면, 다음 상태는 DA, DB의 입력방정식에 의해 결정되며
A(t+1) = DA = AX + BX
B(t+1) = DB = ~AX + ~BX
<- D 플립플롭의 특성은 입력을 출력에 그대로 전달하므로
=> 현재 상태 유지
또한 출력은 조합논리회로의 출력방정식에 의해 결정됨
Y = A~X + B~X
상태표 작성

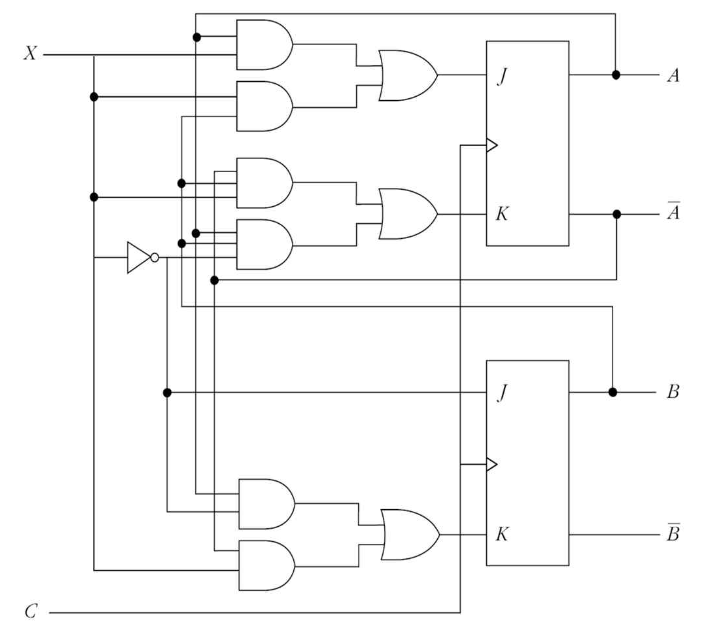
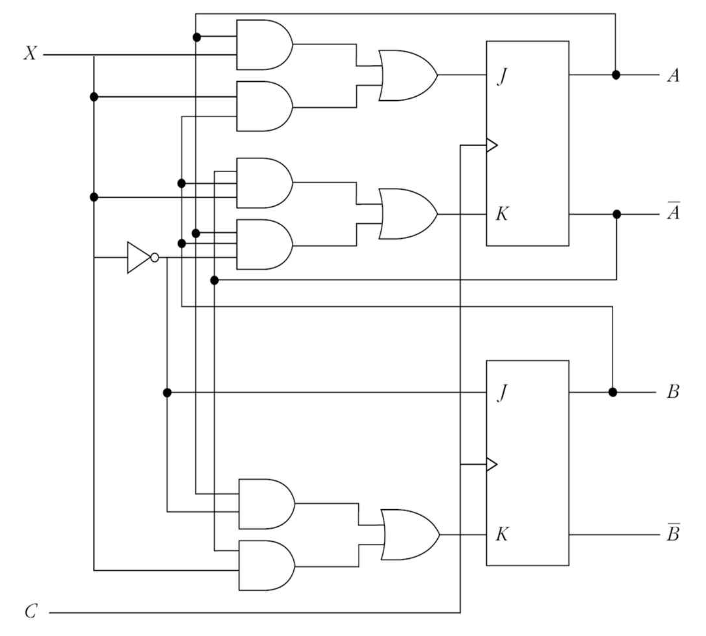
JK 플립플롭을 가진 순서논리회로의 분석 예
D 플립플롭과는 다른 방식이 필요
=> 입력의 변화가 필요하다.
- 특성표(플립플롭의 특성을 나타내는)가 필요
- 왜냐하면 D 플립플롭과는 달리 JK 플립플롭을 가진 순서논리회로는 다음 상태가 입력방정식만으로 구해지지 않는다.
- 따라서 다음 상태를 구하기 위해서는 플립플롭 특성표를 이용하여 플립플롭의 응답을 알아야 함.
특성표: 플립플롭의 논리적 성질을 정의하고 그 동작 특성을 작성한표
-> 플립플롭의 함수표를 말함.

다음 회로도에서 JK 플립플롭의 입력방정식은
JA = AX + BX
KA = ~ABX + AB~X
JB = ~X
KB = A~X+~AX

입력 방정식에 의해서 입력을 알 수 있고 이를 기입

0 0 인 경우에 특성표에 따라 다음 상태를 유지한다.

특성표에 따라 상태표를 작성하면 다음과 같다.

0 0 = > 현재 상태 유지
0 1 => 0
1 0 => 1
0 1 => 리셋
2. 상태도
- 상태표를 그림으로 나타낸 것
- 상태도 작성은 상태표를 이용
- 상태도는 회로의 상태변화를 도형으로 나타내기 때문에 회로분석을 보다 쉽게 할 수 있다.

위와 같은 D 플립플롭이 두 개 장착되어 있는 순서논리회로와 상태표를 이용해서 구한 상태도

조합논리회로는 주어진 명세에 따라서 설계가 되었지만 순서논리회로는 상태도에 따라서 작성함
4가지의 상태를 나타냄
상태와 상태 사이의 변화는 선으로 나타냄
10 -> 11 변화를 화살표로 표시
화살표라는 것은 방향을 의미
수치는 상태 변화가 나타났을 때 현재 상태를 나타내게 됨

00 , 01, 10, 11 상태가 있을 때
상태표에 따라서 00 에서 01로 가는 것은 두 번재에 해당
이때 입력과 출력은 입력이 1이고 출력이 0

즉 원 = 상태 / 안에다가 상태 값을 표현
상태와 상태 변화는 선으로 표기하고
수치는 입력과 출력에 대한 값
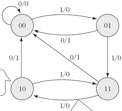
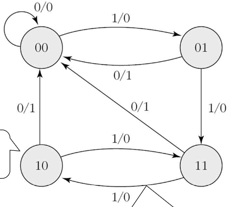
상태도 예시 2
JK 플립플롭의 상태도

이 상태표를 이용해서 상태도를 그리면 상태는 총 4가지 = > 원의 개수는 4개
00 -> 01로 가는 것은 이때 입력은 0
00 -> 00 으로 가는 것은 이때 입력은 1
01 -> 01로 되는 것 이때 입력은 0
01 -> 10 이때 입력은 1
'CS > 디지털논리회로' 카테고리의 다른 글
| 레지스터, 데이터 적재 레지스터, 시프트 레지스터, 카운터, 비동기식 카운터 (0) | 2023.06.15 |
|---|---|
| 순서논리회로의 설계 과정 및 예시, D 플립플롭, JK 플립플롭 입출력 방정식 및 상태표 작성 (0) | 2023.06.15 |
| 순서논리회로, 플립플롭, SR래치, D 플립플롭, JK 플립플롭, T 플립플롭, 플립플롭의 트리거링 (0) | 2023.06.15 |
| 코드 변환기, 패리티 발생기/검사기, BCD-세븐 세그먼트 표시기, 인코더 (0) | 2023.06.14 |
| MSI를 이용한 조합논리회로, 디코더, 멀티플렉서, 디멀티플렉서 (1) | 2023.06.14 |