1. PLD의 구조와 종류
프로그램이 가능한 전자 퓨즈선으로 연결된 게이트의 배열(array)로 구성된 집적회로
디지털 시스템의 설계를 위해 PLD 사용
- 복잡한 논리회로를 하나의 집적회로로 프로그래밍 할 수 있어서
필요한 소자들의 수와 비용을 절감할 수 있는 장점
- 주로 AND 게이트와 OR 게이트의 배열 구조를 갖는 집적회로
- 결국 PLD는 논리요소들이 배열 형태로 되어 있어 배열 형태의 내부 연결선을 프로그래밍할 수 있다.
PLD의 내부구조
- 전자 퓨즈선의 연결 유무에 의해 AND-OR 연산 즉, 곱의 합 형식의 조합논리회로 구현

이러한 조합을 이용해서 프로그래밍을 한다.
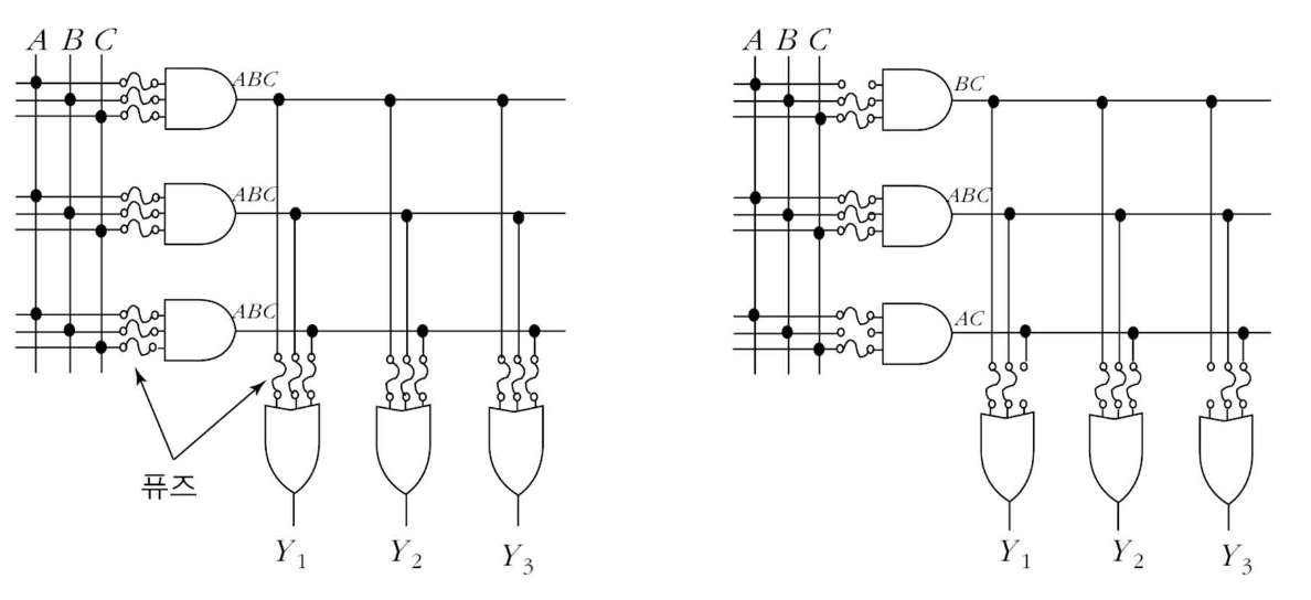
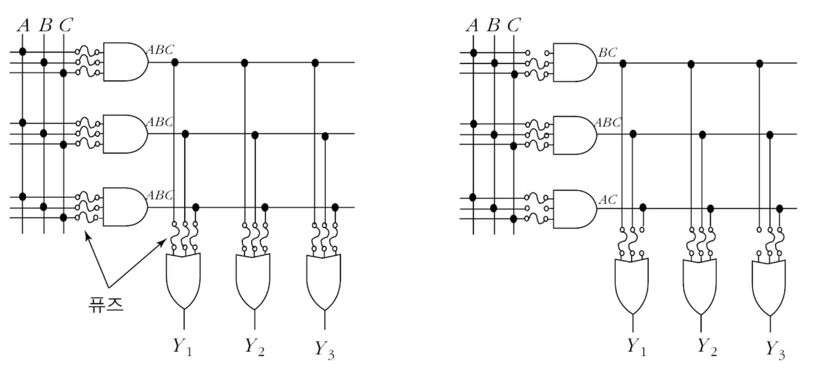
예) 프로그래밍된 AND-OR 게이트 배열

Y2를 보면 3개 전부 연결이 되어 있다.
AND 게이트의 입력 단의 전자 퓨즈선 유무
OR 게이트 입력 단의 전자 퓨즈선 유무
=> 설계자가 원하는대로 프로그래밍 할 수 있다.
이처럼 AND와 OR의 배열 형태로 하는 것을 PLD 라고 함
AND-OR 배열의 간단한 논리 표현



세가지 형태의 PLD

PLD 라는 측면에서 PROM을 다시 정의하면 => AND 게이트의 배열은 프로그래밍 할 수 없고 = 고정된 AND 배열, OR 배열은 프로그래밍 가능함
PLA => 두가지 AND와 OR 모두 프로그래밍 가능함
PAL => AND가 가능하고 OR이 고정
2. PLA
ROM과 같은 기능 수행하며, ROM의 단점을 해소
예) 10개의 입력과 8개의 출력을 갖는 조합논리회로 설계한다면
- 1,024×8 ROM 필요
- 즉, ROM의 크기는 입력의 수에 의해 결정되므로 입력의 수가 많고, 사용되는 단어의 수가 적을 때는 많은 기억공간이 낭비
=> 다 필요가 없다.
=> PLA는 모든 입력변수를 디코딩하지 않고, 모든 최소항도 만들지 않는다.
=> 가장 융통성이 있는 PLD
PLA의 블럭도


PLA를 이용해서 부울함수 구현이란 ?
=> PLA 내부를 구성하는 AND-OR 배열을 온오프 시켜주는 것
프로그래밍 표를 작성
PLA 프로그래밍 표 작성 과정
1) 도표를 이용한 간소화
- PLA는 곱의 합 형태로 함수가 표현되기 때문에
곱항의 수를 줄여야 한다.(한정된 수의 AND 게이트를 갖기 때문)
2) 곱항의 수가 최소인 부울함수 선택
3) 선택된 곱항을 이용하여 프로그래밍 표 작성

조합논리회로에 대한 PLA 프로그래밍 작성

AND 게이트와 OR 게이트 배열로 되어 있는 논리를 이러한 표현 형식에 따라 ON/OFF를 시켜준다
PLA의 프로그래밍 표에 의해 작성된 PLA의 내부 구조

내부 구조가 이런 모양으로 되어 있다.
모든 PLA가 이렇게 되어 있는데 연결 유무가 달라지는 것. 연결 유무는 프로그래밍 표에 따라 달라지는 것
즉, PLA 설계를 한다는 것은 이렇게 프로그래밍 표를 제시해주는 것이다.
3. PAL
- PLA와 유사한 소자
- AND 게이트 배열만 프로그램 가능(PLA 보다는 제한적)
- 그러나 값이 싸고, 간단한 논리함수 구현에 효과적
- 가장 보편적으로 많이 사용
->전형적인 PAL : 8 입력, 8 출력의 PAL
4입력 4출력 PAL
OR 배열은 고정
왼쪽에 AND 입력 단을 온오프 시켜줌으로써 프로그래밍을 해줌

부울 함수의 표현이 가능하다.
다른 형태의 4입력-4출력 PAL의 구조( 3AND-OR 구조 )
3개의 AND 게이트가 연결. 입력이 4개 출력이 4개

- 3개의 AND-OR 배열이 4개의 부분으로 구성된 형태
- 3개의 AND 게이트를 이용하여 프로그래밍할 수 있다.
- 각 AND 게이트는 10개의 프로그램이 가능한 입력이 있다.
PAL을 이용한 조합논리회로 설계 예


참고자료: 디지털논리회로(김형근, 손진곤 공저, KNOU press 출판)
'CS > 디지털논리회로' 카테고리의 다른 글
| 기억장치와 PLD, RAM의 구성, RAM의 확장 방법, ROM의 구성, ROM을 이용한 조합논리회로 구현 (0) | 2023.06.15 |
|---|---|
| 레지스터와 카운터, 동기식 2진 카운터, 모듈로-N 카운터, 링 카운터, 존슨 카운터, 카운터의 설계 (0) | 2023.06.15 |
| 레지스터, 데이터 적재 레지스터, 시프트 레지스터, 카운터, 비동기식 카운터 (0) | 2023.06.15 |
| 순서논리회로의 설계 과정 및 예시, D 플립플롭, JK 플립플롭 입출력 방정식 및 상태표 작성 (0) | 2023.06.15 |
| 순서논리회로의 분석, 상태표, 상태도 (0) | 2023.06.15 |