1. 다음 중 컴퓨터 명령어를 구성하는 연산코드 필드(OP code field)에 대한 설명으로 가장 적절한 것은?
- 기억장치 주소 혹은 처리장치 레지스터를 선택하기 위한 필드이다.
- 명령어의 주소지정방식을 지정하는 필드이다.
- 중앙처리장치에서 수행할 연산을 지정하는 필드이다.
- 인터럽트 요청을 위한 제어 필드이다.
*정답: 3
해설: 연산코드 필드(OP code field)는 중앙처리장치(CPU)에서 수행할 연산을 지정하는 필드이다. 이 필드는 CPU가 실행할 명령의 종류를 결정한다.
2. 다음 컴퓨터 명령어에 관한 설명으로 적절한 것은?
ADD X- 2-주소 컴퓨터 명령어이다.
- 데이터 전송을 위한 컴퓨터 명령어이다.
- 컴퓨터의 내부구조로 볼 때 누산기를 이용하는 컴퓨터 명령어이다.
- 컴퓨터의 내부구조로 볼 때 다중 레지스터를 이용하는 컴퓨터 명령어이다.
*정답: 3
해설: 'ADD X' 명령어는 누산기(accumulator)를 이용하는 명령어이다. 이 명령어는 누산기에 저장된 값과 'X'가 지시하는 메모리 위치의 값을 더하는 연산을 수행한다.
(3~5) 다음 프로그램을 보고 물음에 답하시오.
LOAD A; AC <-M[A] (a)
SUB B; AC <-AC-M[B] (b)
STORE X; ( ) (c)
LOAD C; AC <-M[C] (d)
MUL X; AC <- AC X M[X] (e)
STORE X; ( ) (f) 3.위의 프로그램은 다음 중 어느 수식을 계산하는 것인가?
- X = (A+B)xC
- X = (A-B)xC
- AC = (A+B)xC
- AC=(A-B)xC
*정답: 2
해설: 이 프로그램은 'X = (A-B)xC' 수식을 계산한다. (a)에서 A를 로드하여 AC에 저장, (b)에서 B를 빼서 AC를 업데이트, (c)에서 AC의 값을 X에 저장, (d)에서 C를 로드, (e)에서 AC에 M[X]를 곱하여 AC를 업데이트, 그리고 (f)에서 AC의 값을 다시 X에 저장한다. 이 과정을 통해 X = (A-B)xC의 계산이 완성된다.
오답 선지 해설:
- 1번과 3번은 덧셈 연산을 나타내는데, 프로그램은 뺄셈 연산을 수행한다.
- 4번은 결과가 AC에 저장되는 것을 나타내지만, 최종 결과는 X에 저장된다.
4. 프로그램에서 (c)의 괄호안에 들어갈 식으로 알맞은 것은?
- AC <-M[A]-[B]
- AC <-ACxM[X]
- AC <- M[X]
- M[X] <- AC
*정답: 4
해설: (c)의 괄호 안에 들어가야 하는 식은 'M[X] <- AC'이다. 이 명령은 AC의 현재 값을 메모리 위치 X에 저장한다. 이 단계에서는 누산기(AC)에 저장된 값을 X로 전송하여 저장하는 작업을 수행한다.
오답 선지 해설:
- 1번은 A와 B를 빼는 연산을 나타내지만, 이는 (b) 단계에서 이미 수행되었다.
- 2번과 3번은 (c) 단계에서 수행되는 연산과 일치하지 않는다.
5.위 프로그램의 명령어 형식과 관계가 깊은 컴퓨터 내부구조는?
- 누산기를 가진 구조
- 다중 레지스터를 가진 구조
- 스택을 가진 구조
- 프로그램 카운터를 가진 구조
*정답: 1
해설: 누산기를 가진 구조는 초기 컴퓨터 아키텍처에서 중요한 부분이다. 이 구조에서 누산기는 주요 연산 장치로, 명령어의 결과를 저장한다. 프로그램의 명령어가 누산기를 중심으로 연산을 수행하므로, 누산기 구조는 이 프로그램의 명령어 형식과 밀접한 관련이 있다.
6.다음 중 내부버스에 대한 설명으로 올바르지 않는 것은?
- 중앙처리장치 내부의 연산장치와 레지스터간의 데이터 전송을 위한 공통 선로의 집합이다.
- 멀티플렉서와 디코더를 이용해서 구성할 수 있다.
- 레지스터와 ALU를 이용해서 구성할 수 있다.
- 중앙처리장치 내부에서 정보를 전달할 수 있는 경로이다.
해설: 내부버스는 CPU 내부에서 데이터, 주소, 제어 신호 등을 전송하는 역할을 한다. 멀티플렉서와 디코더는 버스 시스템 구성요소가 아니라, 신호를 선택하거나 변환하는 데 사용되는 전자 부품이다. 따라서, 내부버스를 구성하는데 멀티플렉서와 디코더를 사용한다는 설명은 올바르지 않다.
*정답: 2
(7~9) 아래 그림은 어느 순간의 기억장치와 PC, 레지스터를 나타내고 있다. PC의 현재 내용이 156이므로 이제 곧 156번지에 있는 컴퓨터 명령어를 수행하게 될 것이다. 컴퓨터 명령어의 연산코드 내용이 해당 피연산자를 AC에 적재하라는 것이고 주 소 필드의 값은 300일 때,다음 물음에 답하라. 단,주소지정방식 이 레지스터를 사용할 경우는 레지스터 이을 사용하는 것으로 가정한다.
PC = 156
R1 = 200
AC - 연산코드 : AC에 적재하라
157: ADRS, NBR=300
158: 다음 명령어
200: 500
300: 618
456: 502
458: 700
500: 300
618: 456
700: 458 
7. 즉치 주소지정방식과 직접 주소지정방식을 이용한다면 각각 어떤 값이 AC에 적재될 것인가?
- 300, 500
- 300, 618
- 618, 456
- 618, 458
*정답: 2
해설: 즉치 주소지정방식에서는 명령어 자체의 주소 필드 값인 300이 AC에 적재된다. 직접 주소지정방식에서는 주소 필드가 가리키는 메모리 주소인 300번지의 값 618이 AC에 적재된다. 따라서, 각각 300과 618이 AC에 적재될 것이다.
8. 레지스터 주소지정방식과 레지스터 간접 주소지정방식을 이용 한다면 각각 어떤 값이 AC에 적재될 것인가?
- 200, 500
- 500, 300
- 500, 618
- 618, 300
*정답: 1
해설: 레지스터 주소지정방식에서는 R1 레지스터의 값 200이 AC에 직접 적재된다. 레지스터 간접 주소지정방식에서는 R1이 가리키는 주소 200번지의 값 500이 AC에 적재된다. 따라서, 각각 200과 500이 AC에 적재될 것이다.
9. 상대 주소지정방식과 인덱스된 주소지정방식을 이용한다면 각 각의 유효주소는? (여기서 인덱스 레지스터는 R1 이다.)
- 458, 400
- 456, 500
- 458, 500
- 618, 300
*정답: 3
해설: 상대 주소지정방식에서는 현재 PC 값 156에 주소 필드 값을 더해 유효주소를 계산한다. 여기서는 156 + 300 = 456이 유효주소가 된다. 인덱스된 주소지정방식에서는 주소 필드 값에 인덱스 레지스터 R1의 값을 더해 유효주소를 계산한다. 여기서는 300 + 200 = 500이 유효주소가 된다. 따라서, 각각의 유효주소는 456과 500이다.
10. 다음 마이크로 연산에 관한 설명으로 올바른 것은?
YT1 : R0 <- R0 + R1
Y(바)T1 : R0 <-R0+R1(바)+1- Y=1, T1= 1일 때,R0에서 R1 을 빼어 결과를 R0에 적재한다.
- Y=0, T1=0 일 때,R0와 R1을 더하여 결과를 R0에 적재한다.
- Y=0, T1=1 일 때,R0와 R1(바)을 더하여 결과를 R0에 적재한다.
- Y=0, T1=1 일 때,R0에서 R1을 빼어 결과를 R0에 적재한다
*정답: 4
해설: Y=0, T1=1일 때 수행되는 마이크로 연산 'Y(바)T1 : R0 <-R0+R1(바)+1'은 R0에서 R1을 빼어 결과를 R0에 적재하는 연산이다. 'R1(바)'는 R1의 비트를 반전시킨 값이고, 여기에 1을 더하면 2의 보수를 구하는 것과 같으므로, 실제로는 R0에서 R1을 빼는 연산이 수행된다.
11. 아래 그림은 컴퓨터의 두 가지 구성요소 사이의 상호관계를 보여 주고 있다. 괄호 (A)와 (B)에 각각 들어갈 용어들을 순서 대로 나열한 것은?
재어 입력 데이터 입력
| |
| (A) |
(가) <---------> (나)
| (B) |
| |
제어 출력 데이터 출력
- 입력 데이터,출력 데이터
- 제어신호,상태신호
- 제어장치,처리장치
- 처리신호,제어신호
*정답: 2
해설: 그림은 컴퓨터의 제어장치와 처리장치 간의 상호작용을 나타낸다. (A)는 '제어신호'로, 제어장치에서 처리장치로 보내는 신호이며, (B)는 '상태신호'로, 처리장치에서 제어장치로 보내는 신호를 의미한다. 이러한 상호작용은 컴퓨터 시스템의 작동을 조율하는 데 중요하다.
12. 다음 중 마이크로프로그램에 관한 설명으로 잘못된 것은?
1 마이크로명령어를 이용해서 작성된 프로그램을 말한다.
2 펌웨어라고도 한다.
3 소프트웨어 프로그램을 작성하는 것보다 용이하다.
4 마이크로프로그램이 하드웨어와 소프트웨어의 중간 정도임을 의미한다.
*정답: 3
해설: 마이크로프로그램은 하드웨어 수준에서 마이크로명령어를 이용하여 구현되는 프로그램이며, '펌웨어'라고도 불린다. 이는 소프트웨어 프로그램보다 구현하기 어렵다는 점에서 옵션 3이 잘못된 설명이다. 마이크로프로그램은 소프트웨어와 하드웨어의 중간 단계에 위치한다.
13. 다음 중 시프트 마이크로연산의 설명으로 잘못된 것은?
1 레지스터 내의 데이터를 시프트시키는 연산이다.
2 데이터의 측면이동에 사용된다.
3 연산의 종류로는 가산 쉬프트와 감산 쉬프트가 있다.
4 왼쪽과 오른쪽 쉬프트에 있어서 입력비트는 0으로 가정한다.
*정답: 3
해설: 시프트 마이크로연산은 레지스터 내의 데이터를 왼쪽 또는 오른쪽으로 이동시키는 연산이다. 이 연산은 데이터의 위치 이동에 사용되며, 왼쪽과 오른쪽 쉬프트에서 입력비트는 일반적으로 0으로 가정한다. 가산 쉬프트와 감산 쉬프트라는 용어는 시프트 연산에 적용되지 않으므로, 옵션 3이 잘못되었다.
(14〜16) 아래 그림은 처리장치의 블록도이다. 다음 물음에 답하시오.

14. 위 그림에서 나와 라에 해당하는 것은 각각 무엇인가?
- Flag Register, Shifter
- Decoder, ALU
- Decoder, Shifter
- Flag Register, Multiplexer
*정답: 1
해설: 그림에서 나와 라에 해당하는 구성 요소는 각각 Flag Register와 Shifter이다. Flag Register는 처리 장치에서 연산의 결과를 나타내는 플래그들을 저장하는 레지스터이다. Shifter는 데이터의 비트 위치를 변경하는 연산을 수행한다. 따라서, 1번 선택지가 정답이다.
15. 위 그림에서 D에 관한 설명으로 적절한 것은?
- 마이크로프로그램의 조건부 분기를 구현하는데 필요하다.
- 데이터를 비트단위로 이동시키는 쉬프트 연산을 수행한다.
- 산술논리연산을 수행한다.
- 도착 레지스터를 결정하는데 필요하다.
*정답: 4
해설: 그림에서 D는 도착 레지스터를 결정하는데 필요한 구성 요소로, 데이터의 최종 목적지를 지정한다. 마이크로프로그램의 조건부 분기, 쉬프트 연산, 산술논리연산 등은 D의 기능이 아니다. 따라서, 4번 선택지가 가장 적절한 설명이다.
16. 위 그림에서 레지스터 세트에 40개의 레지스터가 있고,다는 20개의 연산, 라는 12개의 연산을 수행한다고 가정했을 때 제어 단어는 몇 비트가 되겠는가?
- 24
- 25
- 27
- 28
*정답: 3
해설: 제어 단어의 비트 수는 레지스터 선택, 연산 선택, 그리고 기타 제어 신호를 포함하여 결정된다. 40개의 레지스터를 선택하기 위해서는 최소 6비트(2^6 = 64), 다의 20개 연산을 선택하기 위해서는 최소 5비트(2^5 = 32), 라의 12개 연산을 선택하기 위해서는 최소 4비트(2^4 = 16)가 필요하다. 따라서, 총 15비트가 필요하지만 선택지 중 가장 근접한 것은 3번 선택지인 27비트이다.
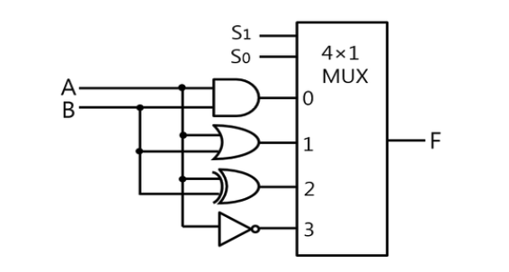
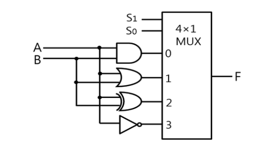
17. 다음그림에서 F= A xor B 연산을 수행하기 위해 S0과 S1의 값으로 올바른 것은?

- S1 = 0, S0 = 0
- S1 = 0, S0 = 1
- S1 = 1, S0 = 0
- S1 = 1, S0 = 1
*정답: 3
(18〜21) 다음 그림은 마이크로프로그램 제어기이다. 그림을 보 고 물음에 답하라.

18. 그림에서 마에 들어갈 내용으로 적절한 것은?
- 상태비트
- 제어싢호
- 제어단어
- 선택비트
*정답: 1
해설: 마이크로프로그램 제어기의 마 위치에는 '상태비트'가 들어간다. 이 상태비트는 마이크로프로세서의 현재 상태를 나타내는 비트로, 이를 통해 다음 실행할 마이크로명령어를 결정한다.
19. 그림에서 나에 들어갈 내용으로 올바른 것은?
- 64x26
- 128x27
- 256x27
- 256 x 28
*정답: 2
해설: 나의 위치에 '128x27'이 들어간다. 이는 제어기억장치의 크기를 나타내며, 128개의 마이크로명령어가 각각 27비트의 크기로 저장됨을 의미한다.
20. 그림에서 가에 들어갈 내용으로 적절한 것은?
- 처리장치
- 제어장치
- 제어주소 레지스터
- 산술논리연산장치
*정답: 3
해설: 가의 위치에는 '제어주소 레지스터'가 들어간다. 이 레지스터는 마이크로프로그램의 현재 실행 위치를 나타내는 데 사용되며, 다음에 실행할 마이크로명령어의 주소를 저장한다.
21. 다음과 같은 연산을 수행하려 할 때 그림에서 제어기억장치의 27개 비트에 대한 설명으로 잘못된 것은?
R4<-0, if ( S=1 ) then( CAR<—37 ) else ( CAR<—CAR+1 )- 1번〜 16번 비트는 마이크로연산 R4—0를 수행한다.
- 17번 비트는 (1)2 이어야 한다.
- 18〜20번 비트는 조건문 if(S=1)을 수행한다.
- 21〜27번 비트는 주소 37번지를 나타낸다.
*정답: 2
해설: 17번 비트의 값이 (1)2이어야 한다는 설명이 잘못되었다. 이 비트는 일반적으로 특정 조건을 만족할 때 다음 명령어의 주소를 결정하는 데 사용되며, 주어진 조건 'if (S=1)'에 따라 다른 값이 설정될 수 있다.
22. 다음과 같은 일련의 마이크로연산은 무엇을 수행하는 것인가?
To : MAR — IR(adrs)
T1 : MBR — M[MAR]
T2 :AC<一AC+MBR- STORE 명령어
- LOAD 명령어
- AND 명령어
- ADD 명령어
*정답: 4
해설: 주어진 마이크로연산은 'ADD 명령어'를 수행한다. 이 과정에서 MAR은 명령어 레지스터에서 주소를 받아오고, MBR은 메모리에서 MAR 주소에 해당하는 데이터를 로드한 후, AC는 AC와 MBR의 내용을 더하여 결과를 저장한다. 이러한 일련의 과정은 ADD 명령어의 전형적인 작동 방식이다.
23.다음 중 PC(Program Counter)의 설명으로 잘못된 것은?
- 다음에 수행되어질 명령어가 들어있는 주소를 갖고 있다.
- 비트 수는 기억장치의 용량에 따라 결정된다.
- 현재의 데이터를 인출한 후에 자동적으로 다음 주소를 갖는다.
- 스택 공간의 최상위 주소를 갖고 있다.
*정답: 4
해설: PC는 현재 실행 중인 명령어의 주소가 아니라 다음에 수행될 명령어의 주소를 가진다. PC의 비트 수는 메모리 주소 가능 범위에 따라 결정되며, 명령어 실행 후 자동으로 다음 주소로 증가한다. 스택 공간의 최상위 주소는 PC가 아닌 스택 포인터가 관리한다.
24.다음 중 CPU 있는 레지스터에 대한 설명으로 적절한 것은?
- 레지스터는 데이터의 임시 저장장소로서 컴퓨터의 기억장치 중에서 액세스 속도가 가장 빠르다.
- 다음에 수행해야 할 명령어가 저장된 기억장치주소를 저장 하는 레지스터는 누산기이다.
- 명령어 레지스터는 오퍼랜드나 연산결과를 일시적으로 저장한다.
- 스택 포인터는 특수 레지스터로서 스택 영역에 들어 있는데이터를 저장한다.
*정답: 1
해설: 레지스터는 데이터를 일시적으로 저장하는 공간으로, 기억장치 중에서 가장 빠른 액세스 속도를 가진다. 누산기는 연산 결과를 저장하며, 다음 명령어 주소는 PC에 저장된다. 명령어 레지스터는 현재 실행 중인 명령어를 저장하고, 스택 포인터는 스택 메모리의 주소를 관리한다.
25. 다음 설명에서 괄호 안에 들어갈 용어로서 올바른 것은?
명령어 실행 사이클은 명령어를 실행하는 단계로서 ( ) 에 실린 명령어를 해독하고,해독한 명령어에 따라 필요한 연산이 수행되는 과정이다.- 프로그램 카운터
- 명령어 레지스터
- 메모리 주소 레지스터
- 누산기
*정답: 2
해설: 명령어 실행 사이클은 명령어 레지스터에 저장된 명령어를 해독하고 실행하는 과정이다. 프로그램 카운터, 메모리 주소 레지스터, 누산기는 이 과정과 다른 역할을 한다.
26. 다음 중 CISC(Complex Instruction Set Computer)의 특징으로 올바르지 않은 것은?
- 여러 사이클의 복잡한 명령어 형식을 갖는다.
- 많은 명령어와 주소지정방식을 가진다.
- 단일 레지스터 구조를 갖는다.
- 고도의 파이프라인을 가진다.
*정답: 4
해설: CISC는 복잡한 명령어 세트와 다양한 주소 지정 방식을 가지나, 고도의 파이프라인은 주로 RISC(Reduced Instruction Set Computer)의 특징이다. CISC는 복잡한 명령어와 다양한 레지스터 구조를 갖는다.
27. 다음의 기억장치를 기억용량의 크기 순서로 나열한 것은?
ㄱ - 레지스터
ㄴ - 캐시기억장치
ㄷ - 주기억장치
ㄹ - 보조기억장치- ㄹ - ㄷ - ㄴ - ㄱ
- ㄹ - ㄴ - ㄱ - ㄷ
- ㄷ - ㄹ - ㄴ - ㄱ
- ㄱ - ㄷ - ㄴ -ㄹ
*정답: 1
해설: 기억용량의 크기는 보조기억장치 > 주기억장치 > 캐시기억장치 > 레지스터 순으로 크다. 보조기억장치는 가장 큰 용량을 가지고, 레지스터는 가장 작은 용량을 가진다.
28. 다음의 단어와 가장 관계가 깊은 기억장치는?
'물리주소' '희생페이지' '세그먼트 '페이지'- 가상기억장치
- 캐시기억장치
- 주기억장치
- 연관기억장치
*정답: 1
해설: 이 용어들은 가상기억장치와 관련이 깊다. 가상기억장치는 물리적 기억공간을 효율적으로 활용하기 위해 페이지나 세그먼트 등의 기술을 사용한다.
29. 다음 중 기억장치와 그 특성을 연결한 것으로 올바른 것은?
- 연관기억장치 - memory 공간 확대
- 가상기억장치-memoryaccess속도증가
- 캐시 기억장치 - memory access 속도 증가
- 복수 모듈 기억장치 - memory 공간 확대
*정답: 3
해설: 캐시 기억장치는 메모리 액세스 속도를 증가시키는 역할을 한다. 연관기억장치와 가상기억장치, 복수 모듈 기억장치는 기억 공간 확대나 다른 기능을 제공한다.
30. 다음 중 주기억장치의 성능을 평가하는 단위로 사용되지 않는 것은?
- 기억 용량
- 기억 소자
- 사이클 타임
- 액세스 타임
*정답: 2
해설: 주기억장치의 성능은 기억 용량, 사이클 타임, 액세스 타임으로 평가된다. 기억 소자는 성능 평가 단위가 아니라 메모리를 구성하는 물리적 요소를 의미한다.
31. 다음 중 기억장치 인터리빙(memory interleaving) 방법의 사용 목적으로 올바른 것은?
- 메모리액세스효율증대
- 기억용량의 증대
- 입출력장치의증설
- 전력소모 감소
*정답: 1
해설: 기억장치 인터리빙은 메모리 액세스 효율을 증대시키기 위해 사용된다. 이 방법은 여러 메모리 모듈을 번갈아가며 사용함으로써 메모리 대역폭을 효과적으로 활용하고, 데이터 액세스 속도를 높인다. 기억용량의 증대, 입출력 장치의 증설, 전력 소모 감소와는 직접적인 관련이 없다.
32. 다음 중 입출력장치 인터페이스에 포함되어야 하는 하드웨어가 아닌 것은?
- 데이터버퍼
- 장치의 동작 상태를 나타내는 플래그
- 장치번호 디코더
- 멀티플텍서
*정답: 4
해설: 멀티플렉서는 입출력장치 인터페이스에 필수적인 구성 요소가 아니다. 입출력장치 인터페이스는 데이터 버퍼, 장치의 동작 상태를 나타내는 플래그, 장치번호 디코더 등으로 구성되며, 이들은 데이터 전송 및 관리에 직접적으로 기여한다.
33. 중앙처리장치의 개입 없이 직접 주기억장치로 접근하여 데이 터의 입출력을 수행하기 위해 주기억장치와 입출력장치사이에 위치하는 장치를 무엇이라 하는가?
- DMA
- 캐시
- 연관메모리
- 가상 메모리
*정답: 1
해설: 이 장치는 DMA(Direct Memory Access)이다. DMA는 중앙처리장치의 개입 없이 주기억장치와 입출력장치 사이에서 데이터의 직접적인 입출력을 가능하게 한다. 캐시, 연관메모리, 가상 메모리는 이와 다른 목적으로 사용된다.
34. 버스 중재에 있어서 중재기에서 가까운 순으로 우선순위가 주 어지는 방법은?
- 중앙집중식 병렬중재 방법
- 우선순위 인코더 방법
- 폴링중재방법
- 데이지체인
*정답: 4
해설: 데이지체인 방법은 버스 중재에 있어 중재기에 가까운 장치부터 우선순위를 부여하는 방식이다. 이 방식은 연속적인 체인 구조를 통해 우선순위를 결정한다. 중앙집중식 병렬중재 방법, 우선순위 인코더 방법, 폴링중재방법은 다른 중재 방식이다.
35. 컴퓨터의 분류 방식 중 명령어 스트림과 데이터 스트림이 컴퓨터 내에서 하나뿐 인가 혹은 여러개 인가를 기준으로 하여 분류하는 방식은?
- 팽의 분류
- 플린의 분류
- 구조에 의한 분류
- 기억장치에 의한 분류
*정답: 2
해설: 플린의 분류 방식은 명령어 스트림과 데이터 스트림의 수를 기준으로 컴퓨터를 분류한다. 이 분류는 단일 명령어 스트림/단일 데이터 스트림(SISD), 단일 명령어 스트림/다중 데이터 스트림(SIMD), 다중 명령어 스트림/단일 데이터 스트림(MISD), 다중 명령어 스트림/다중 데이터 스트림(MIMD)으로 나뉜다. 팽의 분류, 구조에 의한 분류, 기억장치에 의한 분류는 다른 기준에 따른 분류 방식이다.
'CS > 컴퓨터구조' 카테고리의 다른 글
| 방통대 컴퓨터구조 기출 문제 (2014~2019년도) 오답률 높은 문제와 해설 - 방송대 (2) | 2023.12.07 |
|---|---|
| 컴퓨터 구조 주요 용어 및 연습 문제 (0) | 2023.12.04 |